A80C-S 1

A80C-S

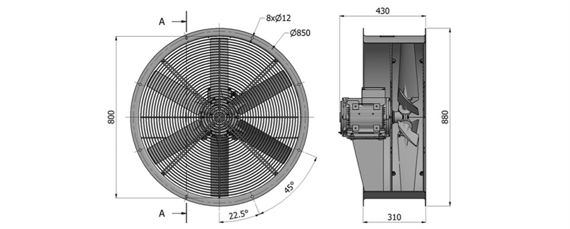
The airflow and sound pressure level (SPL) are given for free blowing operation with inlet and outlet protection grilles. SPL values at 1 meter are measured from the side of the fan. SPL values at 2 meters are calculated using the inverse square law. The declared values may vary depending on the requested options and configurations.

An external control unit or relay is required for the operation of the thermal protection.

For ambient temperatures below -25°C and for tropical environments, the motor must be equipped with a built-in space heater.

Subscribe to newsletter

Please place your phone in an upright position.